製品
拡張ガスアングルボールバルブ
  • 拡張ガスアングルボールバルブ拡張ガスアングルボールバルブ

拡張ガスアングルボールバルブ

拡張ガス アングル ボール バルブは、高品質のガス制御ソリューションを提供することで知られる中国の大手メーカーおよびサプライヤーの 1 つである GenTant によって製造されています。高度なプロセスと慎重に選択された材料を使用して製造されたこれらのバルブ ソリューションは、住宅および商業用途にわたる性能、安全性、イノベーションに対する当社の取り組みを反映しています。 GenTant の拡張ガス アングル ボール バルブは、耐久性、使いやすさ、業界標準への準拠を備えており、最新のガス システムにとって信頼できる選択肢となっています。

拡張ガスアングルボールバルブは、延長範囲または隠蔽設置が必要なパイプラインシステムのガス流を安全に遮断および調整するように設計された特殊な制御コンポーネントです。これらのバルブは、角度のあるボディ構造と延長されたステム設計により、優れたシール性能と動作信頼性を維持しながら、壁に取り付けられた設置やアクセスが難しい設置でも便利な操作を可能にします。


製品の特長と用途

拡張ガスアングルボールバルブは、厚い壁の断熱材やキャビネットをバイパスするように設計された細長い本体を備えており、ハンドルに完全にアクセスできる状態を保ちます。その主な特徴は、90 度の構成と追加のリーチを組み合わせて、すっきりとした埋め込み設置を可能にすることです。これらは、安全で簡単な操作を維持しながらバルブをファサードの後ろに設置する必要がある、最新のキッチンのガス接続や屋外のファイヤーピット接続に不可欠です。


製品パラメータ

技術仕様

呼び圧力:1.6MPa

作動媒体:国内都市ガス、天然ガス、液化石油ガス(LPG)

動作温度: -10°C ≤ T ≤ 80°C

ISO 228規格に準拠したねじ


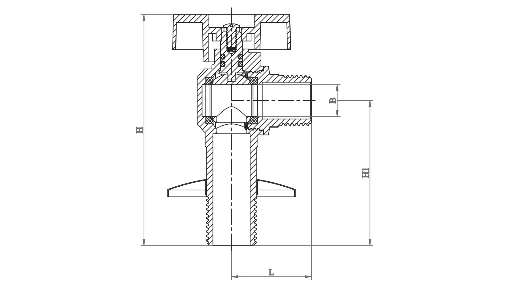
製品寸法

Extended Gas Angle Ball Valve

DN

サイズ

L

B

H

H1

重量(g)

15

1/2×1/2

32.5

13

94

59

197.3

20

3/4×3/4

32.5

17

102

62

291.4


設置ガイドライン

専門家による取り付け: 拡張ガスアングルボールバルブは、認定されたガス技術者によって取り付けられる必要があります。ガス供給が遮断され、作業エリアが十分に換気されていることを確認してください。


ねじ山の完全性: 耐ガス PTFE テープ (通常は黄色) または特殊なパイプドープのみを使用してください。シール剤を雄ねじにのみ塗布し、余分な材料がバルブ本体に入り込んでシールを妨げないようにします。


トルク管理: パイプに最も近いバルブの端に適切なレンチを使用してください。過度の力でバルブ本体に亀裂が入ったり、内部シートが損傷したりして、危険な漏れが発生する可能性があるため、締めすぎないでください。


漏れテスト: 取り付け後、漏れを確認するために火を使用しないでください。認定された漏れ検出溶液または石鹸水をすべての接合部に塗布します。泡は漏れを示しており、すぐに修正する必要があります。


取扱説明書

機能: 拡張ガスアングルボールバルブはオン/オフサービス専用です。完全に開いた位置または完全に閉じた位置を維持する必要があります。部分的に開くと、シートの浸食やシールの破損が発生する可能性があります。


ハンドルの位置: ハンドルは視覚的なインジケータとして機能します。ハンドルがパイプと平行のとき、バルブは開いています。垂直の場合は CLOSED です。


手動操作: これらの拡張ガスアングルボールバルブは手動操作用に設計されています。ハンドルを回すために工具や「チーターバー」を使用しないでください。バルブの操作が困難な場合は、交換が必要になる可能性があります。


点検・整備

定期点検: バルブに腐食、ハンドルの損傷、またはガス臭の兆候がないか少なくとも年に 2 回点検してください。ボールが固着しないように定期的にバルブを開閉 (開閉) してください。


分解禁止: 重要な安全公差のため、ガスバルブの内部コンポーネントを分解したり修理したりしないでください。バルブに漏れがある場合、またはバルブが閉まらない場合は、直ちにユニット全体を交換してください。


環境: バルブエリアには、真鍮のボディやステムシールが時間の経過とともに劣化する可能性がある腐食性化学物質や湿気の蓄積がないようにしてください。


緊急時の手順: ガス漏れが発生した場合は、直ちに上流の元弁を閉じ、その場から避難し、緊急サービスに連絡してください。



ホットタグ: 中国拡張ガスアングルボールバルブメーカー、サプライヤー、工場
お問い合わせを送信
連絡先情報
お見積りやご協力に関するお問い合わせは、zchen@gentantvalves.comまでメールいただくか、下記お問い合わせフォームよりお気軽にお問い合わせください。弊社営業担当より24時間以内にご連絡させていただきます。当社の製品にご興味をお持ちいただきありがとうございます。
X
当社は Cookie を使用して、より良いブラウジング体験を提供し、サイトのトラフィックを分析し、コンテンツをパーソナライズします。このサイトを使用すると、Cookie の使用に同意したことになります。 プライバシーポリシー
拒否する 受け入れる