製品
おねじ型安全弁
  • おねじ型安全弁おねじ型安全弁

おねじ型安全弁

信頼できる中国のメーカーとサプライヤーをお探しですか?もう探す必要はありません。 GenTant は、高品質のおねじ安全弁を提供する大手工場です。当社の製品は厳格な性能基準を満たすように製造されており、信頼性、正確な作動、長い耐用年数を保証します。この卓越性への取り組みを維持するために、当社の工場運営は、高度な機器、精密工作機械、最新の生産技術への戦略的再投資を通じて継続的にアップグレードされています。このイノベーションへの取り組みにより、当社は世界中の顧客の多様で厳しいニーズを満たすようカスタマイズされた、堅牢で信頼性の高い安全ソリューションを提供することができます。

おねじ安全弁は、流体およびガスシステムの過圧状態を防止して機器と人員を保護するために設計された重要な圧力逃がし装置です。外(雄)ネジ接続を特徴とするこのバルブ設計は、対応する雌ネジポートまたはフィッティングに取り付けると、安全で漏れ防止シールを提供します。その中心的な機能は、システム圧力が事前に設定された安全限界を超えたときに自動的に媒体を開いて排出し、潜在的な機器の損傷や危険な故障を回避することです。安全な圧力が回復すると、バルブが再密閉され、継続的なシステムの完全性と動作の安全性が確保されます。この設計は、商用ボイラーや圧力容器から圧縮空気システムやプロセス配管に至るまでのアプリケーションで広く利用されています。


製品の特長と用途

おねじ型安全弁は、暖房、冷房、家庭用給水などのさまざまなシステムの安全保護装置として使用されています。システム圧力が上昇し、バルブの吐出圧力を超えると、安全バルブが自動的に作動して圧力を解放し、媒体を放出します。これにより、内部パイプラインと機器の安全が確保されます。逆に、システム圧力が指定圧力を下回ると、バルブは自動的に再着座して閉じます。


製品パラメータ(仕様)

ねじ接続タイプ

DN15(1/2")、DN15×20(1/2"×3/4")、DN20×25(3/4"×1")


技術仕様

媒体:水またはグリコール溶液(最大濃度50%)

動作温度:-20℃~110℃

最大使用圧力: ≤16 bar

定格圧力 (Pnr): 2.5-3-3.5-4-5-6-7-8-10 bar (圧力値は調整不可)

開放圧力 (Po): ≤Pnr 10%

閉鎖圧力 (Pf):≤Pnr 10%

バルブボディ:高温一体鍛造、肉厚を厚くし、強度を高めています。


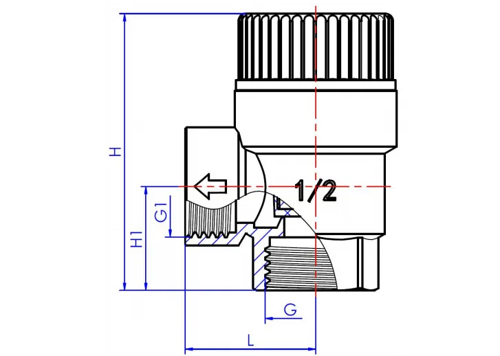
製品寸法

Male Thread Safety Valve

DN

G

G1

L

H

H1

15

1/2"

1/2"

27

57.5

21.5

15×20

1/2"

3/4"

29.5

57.5

25.5

20×25

3/4"

1"

33

59.5

25.5


動作原理

おねじ安全弁の内部ピストンは、バネ張力を利用して弁座を閉じます。システム圧力があらかじめ設定されたスプリングの張力を超えると、ピストンが上方に移動してシートから離れ、水放出チャネルが開きます。安全弁の設定圧力は、システムの最大許容作動圧力です。


システム圧力が安全弁の閉鎖圧力を下回ると、ピストン上部のバネによって加えられる張力によって水流路が閉鎖され、システムは通常の動作状態に戻ります。


安全弁の出口の直径は入口の直径以上です。この設計により、迅速な圧力解放が容易になります。


インストールと操作手順

おねじ安全弁を取り付ける前に、有資格の専門担当者がシステムの特性に基づいて、関連する規制に従って正しいモデルを選択する必要があります。バルブ本体には水の流れの方向が記されており、設置時にはこの方向に厳密に従う必要があります。

1.適用システム

1.1 暖房システム

おねじ型安全弁は熱源(ボイラー、ヒートポンプ等)の上部、または給水管から1m以内に設置してください。安全弁と熱源接続配管との間にはいかなる形式の遮断弁も設けないでください。

1.2 家庭用給湯システム

安全弁は貯湯式温水タンクの冷水入口に設置し、その間の配管にいかなる形式の遮断弁も設置しないようにしてください。

1.3 圧縮ガスシステム

安全弁は圧縮ガスシステムでの使用に適しています。


2.設置方法

取り付ける前に、システム圧力が安全弁の開放圧力と一致していることを確認してください。システムが完全に減圧され、冷却されていることを確認します。システムと安全弁の間にいかなる形式の遮断弁も存在しないことを確認してください。システムパイプラインをフラッシュします。安全弁は垂直または水平に取り付けることができますが、(下図のように)逆に取り付けることはできません。これらの設置方法に従うことで、不純物や沈殿物が通常の動作に影響を与えるのを防ぐことができます。

Male Thread Safety Valve


3.設置時の注意事項

3.1 安全弁を取り付ける際は、弁の変形を防止するため、トルクは18N・m以下としてください。故障の原因となります。以下の図に示すように、システムと安全弁の間には、いかなる形式の遮断弁 (ボール弁、逆止弁など) があってはなりません。

Male Thread Safety Valve



3.2システムと安全弁を接続する配管の直径は、安全弁の入口パイプの直径以上である必要があります。下図に示すように、媒体の流れ方向が安全リリーフポートの矢印の方向と一致していることを確認してください。安全弁のリリーフポートの近くに、「システム動作中に出口をふさがないでください」という注意喚起の標識を設置することをお勧めします。

Male Thread Safety Valve


3.3 圧力リリーフポートに媒体の流れを妨げる遮断バルブやその他のバルブ付属品を取り付けないでください。媒体が圧力解放ポートからスムーズに、障害物なくオーバーフローできることを確認します。排水管には最大 2 つのエルボがあり、長さは 2 メートル以下でなければなりません。


3.4 媒体の流動による人身傷害や物的損失を避けるために、試運転中や故障メンテナンス中などに安全に排水できるように、安全弁の設置場所の近くに床ドレンまたは受入装置があることを確認してください。


試運転

安全弁上部のはずみ車を矢印の方向に 1 回回します。このとき、圧力リリーフポートから培地を排出する必要があります。媒体が排出されない場合は、圧力リリーフポートが詰まっていないか、安全弁が破損していないか、システムの圧力状態を確認してください。ハンドルの回転は、安全弁が適切に機能しているかどうかを確認するためにのみ使用できます。安全弁が破損する恐れがありますので、はずみ車を複数回または逆方向に回転させないでください。


 メンテナンス

推奨事項: 6 か月ごとに機能テストを実行します。



ホットタグ: 中国おねじ安全弁メーカー、サプライヤー、工場
お問い合わせを送信
連絡先情報
お見積りやご協力に関するお問い合わせは、zchen@gentantvalves.comまでメールいただくか、下記お問い合わせフォームよりお気軽にお問い合わせください。弊社営業担当より24時間以内にご連絡させていただきます。当社の製品にご興味をお持ちいただきありがとうございます。
X
当社は Cookie を使用して、より良いブラウジング体験を提供し、サイトのトラフィックを分析し、コンテンツをパーソナライズします。このサイトを使用すると、Cookie の使用に同意したことになります。 プライバシーポリシー
拒否する 受け入れる