製品
フランジ型チェックバルブ
  • フランジ型チェックバルブフランジ型チェックバルブ

フランジ型チェックバルブ

フランジ付きチェックバルブは、中国の大手バルブメーカーおよびサプライヤーである GenTant によって製造されています。当社の工場は、世界的な輸出実績に裏付けられ、多種多様な顧客にサービスを提供しています。当社は、ヨーロッパ、北米、ロシアへの広範な輸出を含め、世界中の多数の顧客と主要市場に高品質のバルブを供給してきました。この国際的な展開は、さまざまな国際規格や世界的なエンジニアリング プロジェクトの厳しい要件を満たす当社の実績ある能力を証明し、フロー制御業界の信頼できる有能なパートナーとしての当社の評判を確固たるものにします。

フランジ逆止弁は、配管システム内の流体の一方向の流れを自動的に許可し、逆流を防ぐように設計された堅牢な工業用流量制御装置です。これは、前方への圧力によって開き、重力および/または逆流圧力によって閉じて確実なシールを形成する、ヒンジ付きディスクまたはスイング機構によってこれを実現します。その特徴であるフランジ付き端により、パイプフランジ間の安全かつ簡単なボルト締めが可能になり、高圧および大口径の用途に適した高信頼性の漏れ防止接続が保証されます。この機能は、ポンプ、コンプレッサー、その他の主要機器をウォーターハンマーや逆流による損傷から保護し、水処理、発電、化学処理、石油・ガス産業におけるシステムの効率と安全性を維持するために重要です。


製品の特長と用途

フランジ付き逆止弁は、配管システムにおける安全な一方向流量制御用に設計されており、取り付けが簡単で強力な漏れ防止接続を実現するフランジ付きの端が特徴です。スイングまたはリフト機構により逆流を防止し、ポンプ、パイプライン、機器を損傷から保護します。給水、HVAC、産業、化学システムで広く使用されており、信頼性の高い動作を保証し、メンテナンスを軽減し、安定したシステム性能を維持します。


製品パラメータ

1.呼び圧力:1.6MPa  

2. 作動媒体: 水、非腐食性および不燃性ガス

3. 動作温度: -20°C ≤ T ≤ 150°C  


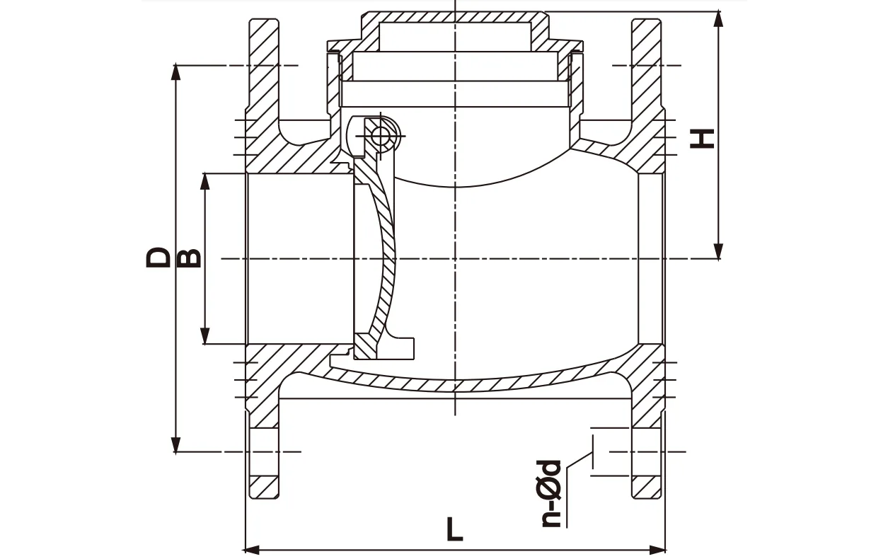
製品寸法

Flanged Check Valve

DN

長さ(mm)

ふーむ)

D(mm)

B(mm)

n-⌀d

重量(g)

40

135

73

110

40

4-18

3893.0

50

143

85

125

50

4-18

5381.0

65

160

95

145

65

4-18

7611.0

80

185

104

160

80

8-18

9445.0

100

210

118

180

100

8-18

12885.0

125

235

133

210

120

8-18

18550.0

150

263

142

240

142

8-23

27000.0


設置ガイドライン

1. バルブを取り付ける前に、配管システムを十分に洗浄し、準備してください。

2. 取り付ける前に、保護エンドキャップを取り外し、バルブポートと座面が汚れていないことを確認してください。

3.配管接続時のストレスを避けるため、バルブを適切にサポートしてください。

4. バルブの圧力と温度定格が意図された使用条件に適していることを確認します。

5. フランジ付き逆止弁を使用する前に、開から閉まで完全に循環させて、スムーズな動作を確認します。

6.取付後、パッキンナットがしっかり締まっているかを確認してください。


注1:フランジ型逆止弁は、スイング型逆止弁のヒンジピンが水平であれば、上向き流れの水平配管、垂直配管、または中間姿勢での取付けが可能です。逆止弁はポンプ出口やその他の乱流源から十分な距離をとって設置してください。詳細については、関連する技術情報を参照してください。


注 2: 一部のチェックバルブには、輸送中にディスクを保護するための内部パッケージが含まれる場合があります。設置前に、このような梱包材をすべて取り除いてください。


取扱説明書

フランジ付き逆止弁は自動的に動作するため、手動による介入は必要ありません。


点検・整備

1. 定期的な検査と予防保守は、ステムパッキンの時折の調整とバルブの開から閉への定期的なサイクルを除いて、通常は必要ありません。

2. パッキン漏れが発生した場合は、パッキンナットを時計回りに約 4 分の 1 回転、または漏れが止まるまで締めて、ステムパッキンのシール圧力を高めます。システム圧力がかかっている間はバルブを再梱包しないでください。

3.バルブステムを交換する場合は、パッキン材も交換してください。


交換部品

通常の動作条件では、交換部品が必要になることはほとんどありません。各バルブ タイプの推奨スペアパーツには、ディスク、ホルダー、ヒンジ アセンブリが含まれます。

部品をご注文の際は、バルブの図番号、サイズ、必要な部品、おおよその年式をお知らせください。


メンテナンス

1.定期的な清掃。パイプライン内の不純物や堆積物が逆止弁に影響を与えるのを避けるために、全銅製横型逆止弁およびパイプライン内を定期的に清掃する必要があります。


2.冷水と温水の交互運転に注意してください。逆止弁の開閉を頻繁に行うと破損の原因となりますので、冷水・温水交互運転は避けてください。


3.圧力に注意してください。総銅製横型逆止弁を使用する場合、配管内の圧力が高くなりすぎると逆止弁に悪影響を及ぼす可能性がありますので、配管内の圧力状況に注意してください。つまり、全銅製の水平逆止弁はパイプライン システムで一般的に使用されるデバイスであり、その使用とメンテナンスは非常にシンプルかつ簡単です。実際の使用においては、使用効果を確実にするために、ユーザーは上記の要件に従って運用および保守を行う必要があります。



ホットタグ: 中国フランジ付き逆止弁メーカー、サプライヤー、工場
お問い合わせを送信
連絡先情報
お見積りやご協力に関するお問い合わせは、zchen@gentantvalves.comまでメールいただくか、下記お問い合わせフォームよりお気軽にお問い合わせください。弊社営業担当より24時間以内にご連絡させていただきます。当社の製品にご興味をお持ちいただきありがとうございます。
X
当社は Cookie を使用して、より良いブラウジング体験を提供し、サイトのトラフィックを分析し、コンテンツをパーソナライズします。このサイトを使用すると、Cookie の使用に同意したことになります。 プライバシーポリシー
拒否する 受け入れる